HomeCanadian Codes
3D Render American Canadian GeneralIm-Export
-------------------------------------------------------------------------------------------------------------------------------------------------------------------------------------------------------------------------------------------
Shear Plate to HSS Connections
Review Report
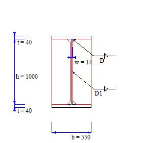
Plate bp = mm tp = mm Vf = kN mm hp = Fyp = MPa
HSS Member t0 = mm Fu = MPa h0 = mm
J.A. Packer, J.E. Henderson, Hollow Structural Section Connections and Trusses - A Design Guide Reference: Shear Plate to HSS Connections